400-8040668
[HTML]
[XML]
产品展示
RSS
新闻中心
RSS
技术支持
RSS
直线电机模组
网站首页
产品中心
公司介绍
新闻资讯
产品应用
资料下载
联系我们
3D数据库
产品分类:
行星减速机...
90度直角减速器...
谐波减速机...
RV减速机...
精密齿条·齿轮...
精密型减速机
行星减速机
同轴式-高精密型减速机
转角式-高精密型减速机
同轴式-经济型减速机
转角式-经济型减速机
法兰面输出-高精密型减速机
直角減速机
中空旋转平台
AGV小车伺服轮模组
90度直角减速器
CCW经典型行星输入接转向器
CCT经典型轴输入转向器
AT轴输入转向器
AT-F法兰输入90度行星直角减速器
AAW-AS精密型90度行星直角减速器
AAT-AS精密轴输入转向器
AATM-AS精密输入带法兰转型器
RB同步螺杆升降机
PT-A标准轴输入转向器
PAW-A标准型90度行星直角减速器
谐波减速机
CSG/CSF系列组合型
SHG/SHF系列组合型
CSD系列组合型
SHD系列组合型
RV减速机
RV-E系列
RV-C系列
RV-EM系列
RV-CM系列
精密齿条·齿轮
精密齿条
精密齿轮
步进电机·交流/直流/防爆伺服电机
开环电机+闭环电机+丝杆步进电机
开环步进电机
闭环步进电机
丝杆步进电机
步进电机配减速器
一体式步进电机
步进电机驱动器(开环+闭环)
DM系列 开环脉冲/IO通用型
DME Ether CAT总线步进驱动器
DMR RS485总线步进驱动器
DMB系列 闭环脉冲/IO控制通用型
交流伺服电机+交流伺服驱动器
交流伺服电机
交流伺服驱动器
直流伺服电机+直流伺服驱动器
直流伺服电机
直流伺服驱动器
DC无刷电机+DC无刷驱动器
直流无刷电机
直流无刷驱动器
无刷电机配减速箱
无刷电机配精密减速器
直驱DD马达+直线电机
DD直驱马达
直线电机
音圈电机
对位平台
PLC可编程控制器
PLC可编程控制器
运动控制器
微型齿轮减速电机
微型齿轮减速机
交流AC微型齿轮减速机
直流DC微型齿轮减速电机
交流小型齿轮减速电机
直交轴减速电机
准双曲面减速机+蜗轮蜗杆减速机
高效型准双曲面齿轮减速机
蜗轮蜗杆减速机
普通电机
通用电机
制动电机
变频电机
变频器
减速机·丝杆升降机
重载型减速机
S系列斜齿圆柱蜗轮蜗杆减速机
R系列斜齿轮硬齿面减速机
K系列弧齿锥齿轮减速机
F系列平行轴斜齿轮减速机
MTH/MTB系列大功率减速机
升降机
SWL/SGL系列丝杆升降机
JWM系列丝杆升降机
SJA/SJB系列螺旋升降机
HM系列伞齿轮丝杆升降机
HK系列蜗轮丝杆升降机
齿轮转向箱/减速机
T系列螺旋锥齿轮减速机
ARA系列螺旋锥齿轮转向箱
HD系列螺旋锥齿换向器
GP系列行星齿轮减速机
蜗轮蜗杆减速机
WP系列蜗轮蜗杆减速机
摆线针轮减速机
X.B系列摆线针轮减速机
WB系列微型摆线针轮减速机
通用精简型变频器
重载型减速机
升降机
齿轮转向箱/减速机
蜗轮蜗杆减速机
摆线针轮减速机
通用精简型变频器
直线电机模组
直线电机及模组
直线电机模组
DD直驱电机
直驱电机及驱动器
直线电机
龙门平台及龙门架
龙门平台
龙门架
平台
当前位置:
首页
>
直线电机模组
>
直线电机及模组
>
直驱电机及驱动器
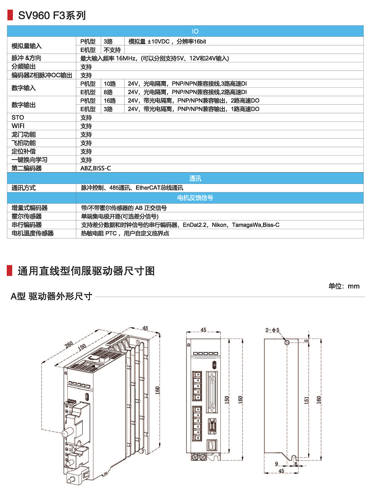
高性能直驱驱动器系统
①产品系列:SV960:高性能直线型
②产品类型:P:RS485+脉冲;E:EchterCAT总线
③额定功率:S:AC220VT:AC380D:单相AC220V/3相AC220V
3R2: 3.2A;
5R6: 5.6A;007:7.0A; 9R7: 9.7A; 014: 14A;021:21A;
④设计版本:
F1:基础版直驱驱动器(单板设计、3倍过载、小功率伺服)
F3:高阶版直驱驱动器(双板设计、支持龙门控制、3.5倍过载、全功率伺服)
上一篇:
标准型直驱驱动器系统
下一篇:
FH系列磁栅编码器
+更多
详细选型参数及尺寸参数
[2026-01-16]
FH系列磁栅编码器
[2022-05-11]
高性能直驱驱动器系统
[2017-06-09]
标准型直驱驱动器系统
[2017-06-09]
DH模块化直驱电机
首页
产品
下载
电话
400-8040668
周一至周六 8:00-17:00
在线客服
400-8040668
周一至周六 8:00-17:00
手机网站
微信公众号
微信小程序
+